Shanggu Precise control (Tianjin) Technology Co., Ltd
尚古精控(天津)科技有限公司
点击了解更多>>
IPRODUCT / 经营项目
转台RTLA-30

转台RTLA-30



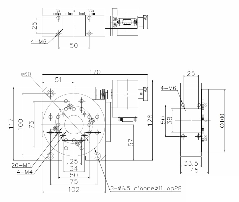
RTLA Automation 系列转台采用蜗轮传动设计,带有重型中央旋转滚珠轴承。 

这些工作台使用 NEMA 尺寸 17 步进电机。所有位移台都有通光孔径或 360° 的刻度。

- 负载能力 25 kg

- 步进或伺服电机驱动

- 30 mm中心孔径

- 精密轴承系统


0.00
0.00
  


RTLA Automation 系列转台采用蜗轮传动设计,带有重型中央旋转滚珠轴承。 

这些工作台使用 NEMA 尺寸 17 步进电机。所有位移台都有通光孔径或 360° 的刻度。

- 负载能力 25 kg

- 步进或伺服电机驱动

- 30 mm中心孔径

- 精密轴承系统


参数单位RTLA-30-100HJ
蜗轮传动比
45:1
最大速度rpm15
轴向负载kg30
重复定位精度(单向)arc-sec20
台面重量kg1.8
通光孔径mm30
直径mm100

电机选择:

- 步进器 NEMA17

- 无刷伺服/编码器

- 带USB、RS232、以太网的智能集成电机