Shanggu Precise control (Tianjin) Technology Co., Ltd
尚古精控(天津)科技有限公司
点击了解更多>>
IPRODUCT / 经营项目
精巧自动升降台

精巧自动升降台

※该系列产品主体材料采用硬质铝合金,表面黑色阳极氧化处理,耐磨性好、外型美观;

※采用精密交叉滚柱导轨,强度高、负载能力强、耐用性好;

※采用进口研磨滚珠丝杠传动,标配28步进电机,可提供较高的分辨率和定位精度;

※RS232接口,公司自主研发的运动控制器可对其实现自动化控制;

※该系列产品适合集成在对空间、尺寸、重量要求较高的自动化设备、精密仪器设备中,也比较适合使用在运动范围较小、往复频率高的工业生产线中。


0.00
0.00
  

※该系列产品主体材料采用硬质铝合金,表面黑色阳极氧化处理,耐磨性好、外型美观;

※采用精密交叉滚柱导轨,强度高、负载能力强、耐用性好;

※采用进口研磨滚珠丝杠传动,标配28步进电机,可提供较高的分辨率和定位精度;

※RS232接口,公司自主研发的运动控制器可对其实现自动化控制;

※该系列产品适合集成在对空间、尺寸、重量要求较高的自动化设备、精密仪器设备中,也比较适合使用在运动范围较小、往复频率高的工业生产线中。


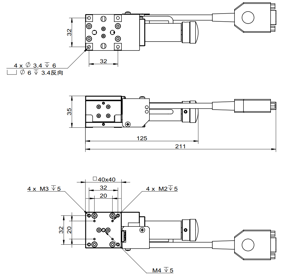
台面尺寸40×40mm60×60mm
升降行程5mm10mm
传动方式1/2楔形,研磨丝杆,螺距1mm1/2楔形,研磨丝杆,螺距1mm
导轨形式精密交叉滚柱导轨精密交叉滚柱导轨
主要材质高强度航空铝材(6061)高强度航空铝材(6061)
主要材质表面处理黑色阳极氧化黑色阳极氧化
仪器重量0.3Kg0.7Kg
中心负载2.5Kg4Kg
分辨率 8 细分/整步0.000625mm/0.005mm0.000625mm/0.005mm
最大速度2mm/sec4mm/sec
单向定位精度≤50μm≤50μm
重复定位精度≤20μm≤20μm
空回间隙≤10μm≤10μm
表面跳动≤30μm≤30μm
电机类型双出轴28步进电机双出轴35步进电机
电机步进角1.8°1.8°
额定工作电流1A1A
电源电压24V±10%24V±10%
接头DB9针接头DB9针接头
限位开关光电开关光电开关